DX-4A/4型信号继电器主要用途及开孔尺寸-上海上继科技有限公司
发布时间:2019-10-20一、DX-4A/4型信号继电器主要用途
信号继电器具有动作快、工作稳定、使用寿命长、体积小等优点。广泛应用于电力保护、自动化、运动、遥控、测量和通信等装置中。

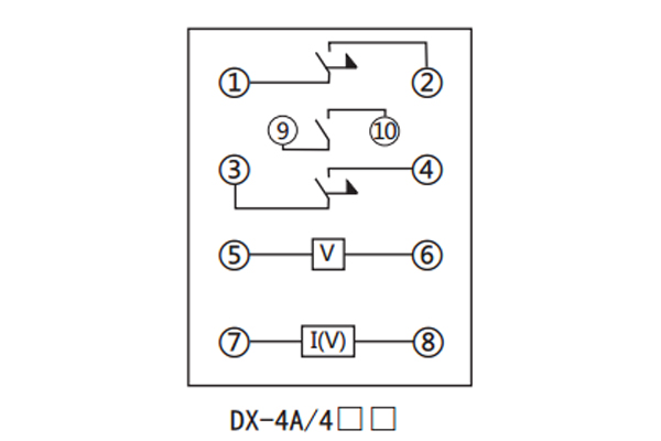
二、DX-4A/4型信号继电器技术参数及接线图
●工作绕组额定值:DC 6V、12V、24V、48V、110V、220V、0.0lA、0.015A、0.02A、0.025A、0.03A、0.04A、 0.05A、 0.075A、0.08A、0.1A、0.15A、0.2A、0.25A、0.5A、0.75A、lA、2A、4A、0.06A。
●复归绕组额定值:6V、12V、24V、48V、110V、220V。
●动作值:动作电压不大于70%额定值;动作电流不大于90%额定值。
●复归电压:不大于70%。
●返回值:不小于2%额定值。
●功率消耗:电压型不大于2W;电流型不大于0.2W。
●触点容量:保持触点在220V,电流不超过lA的直流有感电路中(时间常数为5±0.75ms),分断容量为50W,瞬时触点为30W,在220V电流不超过lA的交流电路中分断容量为200VA。

三、DX-4A/4型信号继电器型号含义

公司介绍:上海上继科技有限公司是一家专业从事电力系统继电保护及智能电网电力自动化产品的研发、设计、生产、销售和服务为一体的高科技公司。拥有资深继电保护专家团队和国内**的检测仪器及校验设备。同时还引用国内外先进技术,来进行技术创新。本公司的产品广泛用于电力、工矿、铁路、建筑等国家重大工程输配变电系统上,产品远销东南亚及中东地区。产品通过国家继电保护及自动化设备质量监督检验中心检测,获得ISO9001国际质量体系认证。“科技创新,诚信务实”是公司的经营理念,本公司以高超的技术支持和对用户高度负责的售后服务赢得了输配电成套企业的信赖,且树立了良好的信誉。
上海上继科技有限公司(专注电力保护继电器生产厂家)销售热线:021-57233089 QQ:1932551438
{以上内容仅供参考,上海上继科技有限公司有最终解释权}
更多继电器精彩文章——JZ-Y-220静态中间继电器主要用途及技术条件