DX-4A/3型信号继电器技术参数及说明书-上海上继科技有限公司
发布时间:2019-10-20一、DX-4A/3型信号继电器概述
DX-4A/3型信号继电器是自动控制系统中常用的器件,它用于接通和断开电路,用以发布控制命令和反映设备状态,以构成自动控制和远程控制电路。各个领域的自动控制无一不采用继电器。铁路信号技术中广泛采用的继电器,称为信号继电器(在信号系统中,可简称继电器),是铁路信号中的重要部件。它无论作为继电式信号系统的核心部件,还是作为电子式或计算机式信号系统的接口部件,都发挥着重要的作用。继电器的动作的可靠性直接影响到信号系统的可靠性和安全性。

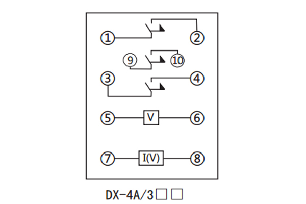
二、DX-4A/3型信号继电器技术参数及接线图
●工作绕组额定值:DC 6V、12V、24V、48V、110V、220V、0.0lA、0.015A、0.02A、0.025A、0.03A、0.04A、 0.05A、 0.075A、0.08A、0.1A、0.15A、0.2A、0.25A、0.5A、0.75A、lA、2A、4A、0.06A。
●复归绕组额定值:6V、12V、24V、48V、110V、220V。
●动作值:动作电压不大于70%额定值;动作电流不大于90%额定值。
●复归电压:不大于70%。
●返回值:不小于2%额定值。
●功率消耗:电压型不大于2W;电流型不大于0.2W。
●触点容量:保持触点在220V,电流不超过lA的直流有感电路中(时间常数为5±0.75ms),分断容量为50W,瞬时触点为30W,在220V电流不超过lA的交流电路中分断容量为200VA。

三、DX-4A/3型信号继电器开孔尺寸

公司介绍:上海上继科技有限公司是一家专业从事电力系统继电保护及智能电网电力自动化产品的研发、设计、生产、销售和服务为一体的高科技公司。拥有资深继电保护专家团队和国内**的检测仪器及校验设备。同时还引用国内外先进技术,来进行技术创新。本公司的产品广泛用于电力、工矿、铁路、建筑等国家重大工程输配变电系统上,产品远销东南亚及中东地区。产品通过国家继电保护及自动化设备质量监督检验中心检测,获得ISO9001国际质量体系认证。“科技创新,诚信务实”是公司的经营理念,本公司以高超的技术支持和对用户高度负责的售后服务赢得了输配电成套企业的信赖,且树立了良好的信誉。
上海上继科技有限公司(专注电力保护继电器生产厂家)销售热线:021-57233089 QQ:1932551438
{以上内容仅供参考,上海上继科技有限公司有最终解释权}
更多继电器精彩文章——JZ-Y-219静态中间继电器主要用途及技术参数