DX-15A/D信号继电器工作原理及使用方法-上海上继科技有限公司
发布时间:2019-10-28一、DX-15A/D信号继电器使用方法
DX-15A/D信号继电器(以下简称继电器)用于电力系统二次电路的继电保护线路中,作为直流回路动作指示信号用。

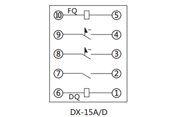
二、DX-15A/D信号继电器接线图

三、DX-15A/D信号继电器产品价格
公司一贯以“合理的价格,高质量的产品,准时的交货期,良好的信誉服务”为基本准则。本公司期待成为你忠实的朋友和合作伙伴,共创互惠双赢的未来!更多价格详细内容请来电咨询:021-57233089,如有任何疑问可以在线联系公司客服。
四、DX-15A/D信号继电器技术数据
●额定值:DC 220V、110V、48V、24V、12V、0.0lA、0.015A、0.025A、0.05A、0.075A、0.1A、0.15A、0.25A、0.5A、 0.75A、lA。
●复归电压:DC 220V、110V、48V、24V、12V。
●触点形式:DX-15A、B/D 2副断电保持动合触点1副断电复归动合触点;信号牌为电动复归。 DX-15A、B/S 2副断电保持动合 触点2副断电复归动合触点;信号牌为手动复归。
●动作值:电压型继电器不大于70%额定电压;电流型继电器不大于90%额定电流;复归线圈的动作电压不大于80%额定电压。
●返回值:不大于2%。
●动作时间:动合触点的闭合时间不大于20ms。
●功率消耗:电压型继电器不大于3W;电流型继电器不大于0.2W;复归线圈不大于5W。
●触点容量:在电压不超过250V,电流不超过5A,时间常数为5±0.75ms的直流有感负荷电路中,产品输出触点的断开容量为 50W。输出触点在上述规定的负荷条件下,产品能可靠动作及返回5×104次。输出触点长期允许接通电流为5A。
●介质强度:产品各导电端子连在一起,对外露的非带电金属部分或外壳之间,能承受2kV(有效值)、50Hz交流电压历时1分钟试验,而无绝缘击穿或闪络现象。
公司介绍:上海上继科技有限公司是一家专业从事电力系统继电保护及智能电网电力自动化产品的研发、设计、生产、销售和服务为一体的高科技公司。拥有资深继电保护专家团队和国内**的检测仪器及校验设备。同时还引用国内外先进技术,来进行技术创新。本公司的产品广泛用于电力、工矿、铁路、建筑等国家重大工程输配变电系统上,产品远销东南亚及中东地区。产品通过国家继电保护及自动化设备质量监督检验中心检测,获得ISO9001国际质量体系认证。“科技创新,诚信务实”是公司的经营理念,本公司以高超的技术支持和对用户高度负责的售后服务赢得了输配电成套企业的信赖,且树立了良好的信誉。
上海上继科技有限公司(专注电力保护继电器生产厂家)销售热线:021-57233089 QQ:1932551438
{以上内容仅供参考,上海上继科技有限公司有最终解释权}
更多继电器精彩文章——JWL-32电流继电器主要用途及产品价格