厂用变保护装置-上海上继科技有限公司
发布时间:2019-07-23公司介绍:
上海上继科技有限公司 是一家专业从事电力系统继电保护及智能电网电力自动化产品的研发、设计、生产、销售和服务为一体的高科技公司。公司依托国际大都市上海的优越环境,拥有资深继电保护专家团队,熟悉中国电网实际运行特点,联合国内外**高校不断引进国内外先进技术,积极响应市场的需求,技术不断创新,坚持行业**地位,主要生产电力继电器及微机综合保护装置,电力智能配电设备,变电站自动化监控系统。产品广泛用于电力、工矿、铁路、建筑等国家重大工程输配变电系统上,产品远销东南亚及中东地区。
公司具备国内**的检测仪器及校验设备,建立了模拟运行老化系统,以精湛的技术严格的生产制造工艺,健全的生产管理体系,精耕细作,精益求精。产品通过国家继电保护及自动化设备质量监督检验中心检测,获得ISO-9001:2000国际质量体系认证。
SJP-500微机综合保护装置产品介绍
一、SJP-500微机综合保护装置 产品概述
1.1应用范围
SJP : 500系列微机保护装置是我公司推出的集简易测量、控制、通讯于一体的一 种经济 型保护装置:针对配网终端配电室量身定做,以三段式电流保护为核心,配备电网参数、监视及采集功能,可省掉传统的电流表、电压表、功率表、频率表等,并可通过通讯I将测量数据及保护信息远传上位机,真正实现配网自动化;装置根据配网供电的特性,在装置内集成了多种保护功能,本装置**的优点尺寸小,不仅可安装于普通环网柜也可方便安装在各种充气柜,起到二次回路保护。大大提高了装置的使用灵活性为用户节约了成本,本装置尤其适用于I0KV以下电压等级的配网供电终端。
1.2保护功能及配置
SJP-500系列保护适用于线路保护、电容出线保护、厂用变保护。针对被保护设备及保护要求的不同,SJP-500系列保护的型号和功能配置如下;

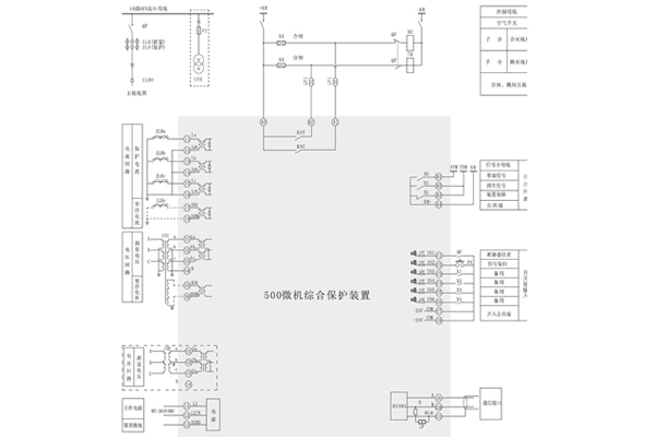
接线原理图(厂用变保护)

三、SJP-500微机综合保护装置
外形及开孔尺寸


四、SJP-500微机综合保护装置
产品实拍




五、SJP-500微机综合保护装置
后面板端子图

端子说明:
11-I8端了为电流端子,其中11-I6端 了为保护电流输入端了,当保护采用两相式保护时,I3. 14悬空. I7、I8端了为零序电流输入端子,带*号为同名端,接线时请注意。
UI- U6端子为电压回路端子,其中U1 U4为测量电压输入,如V/V接线方式,U4端子可以悬空。U5 U6编子为零序电压输入端子。
A1-A3端子为跳合闸出口端子,Al KOC+为合闸触点,A2 KOT+为跳闸触点,A3为公共端KCOM.
BI- B4端子为开出回路端子,BI为预告信号开出常开点: B2为事故信号开出常开点: B3为装置故障信号开出点,为常闭点,装置有故障或失电时报警,正常运行开点。B4为公共端XM。
L1L3端予为辅助电源回路端子,L1. L2为电源输入, L3接大地实际使用时L3端子应可靠接地,提高装置抗干扰能力。
C1-CI1端子为开入量与通讯端子,C1为IN01新路器位置判断点,控制微机合分位灯,开点为绿灯,闭点为红灯: C2为信号复归开入接点: C3为IN03在高温保护开放时用作高温输入信号: C4为IN04在超高温保护开放时用作超高温开入接点: C5为IN0S轻 瓦斯开入接点: C6为IN06重瓦斯开入接点: C7,.C8为开入公共端: C9端子为485通讯回路A端口: C10端子为485通汛回路B端口,CII为485网匹配电阻。实际接入时请使用屏蔽双绞线,提高通讯端口的抗干扰能力。
上海上继科技有限公司(专注厂用变保护装置生产厂家)销售热线:021-57233089 QQ:1932551438
(以上内容仅供参考,上海上继科技有限公司有最终解释权}
更多继电器精彩文章→SJ23-52时间继电器命名含义及技术参数