JL-B/11电流继电器参数及接线图-上海上继科技有限公司
发布时间:2019-08-07
一、JL-B/11电流继电器的概述
JL-B/11集成电路电压继电器作为继电保护元件,主要用于发电机、变压器、输变电、线路中,作为电力系统交流回路过负荷或 短路的启动元件,给出报警信号或切除故障。 本系列继电器采用CMOS集成电路进行运算和比较,具有精度高,整定范围宽,动作速度快,返回系数高,功耗低的特点,提供 辅助电源后,完全可替代电磁式电流继电器。还增加SJ-4新型壳体,35mm标准导轨安装,外形紧凑,安装方便等优点。
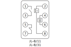
二、JL-B/11电流继电器的接线图

三、JL-B/11电流继电器的结构
1. 继电器系电磁式,瞬时动作,磁系统有两个线圈,线圈出头接在底座端子上,用户可以根据需要串并联,因而可使继电器整定变化一倍。
2. 继电器**的刻度值及额定值对于电流继电器是线圈串联的(以安培为单位)转动刻度盘上的指针、以改变游丝的反作用力矩,从而可以改变继电器的动作值。
3. 继电器的动作:电流升至整定值或大于整定值时,继电器就动作,动合触点闭合,动断触点断开。当电流降低到0.8倍整定值时,继电器就返回,动合触点断开,动断触点闭合。
四、JL-B/11电流继电器的原理
电磁式继电器一般由铁芯、线圈、衔铁、触点簧片等组成的。只要在线圈两端加上一定的电压,线圈中就会流过一定的电流,从而产生电磁效应,衔铁就会在电磁力吸引的作用下克服返回弹簧的拉力吸向铁芯,从而带动衔铁的动触点与静触点(常开触点)吸合。当线圈断电后,电磁的吸力也随之消失,衔铁就会在弹簧的反作用力返回原来的位置,使动触点与原来的静触点(常闭触点)吸合。这样吸合、释放,从而达到了在电路中的导通、切断的目的。对于继电器的“常开、常闭”触点,可以这样来区分:继电器线圈未通电时处于断开状态的静触点,称为“常开触点”;处于接通状态的静触点称为“常闭触点”。
五、JL-B/11电流继电器的参数
1 整定范围 0.02~9.99A,级差为0.001A 2-99.9A,级差0.1A
其它值可按用户要求定制
2 动作时间 1.2倍整定电流,动作时间不大于25mS。
2倍整定电流,动作时间不大于20mS。
3 返回系数 过电流继电器:0.9~0.97;欠电流继电器:1.05~1.15。
4 整定误差 小于2%。
5 功耗 继电器动作,功耗小于5W,继电器不动作,功耗小于4W。
6 触点容量 在电压不大于250V时,触点连续接通电流为5A;
在电压不大于250V时,电路时间常数L/R为5mS的直流电路中,可断开30W。
在电压不大于250V时,功率因数COSΦ为0.4的交流电路中,可分断200VA。
7 触点寿命 电寿命:105次, 机械寿命:106次。
8 绝缘电阻 继电器各导电端子连在一起,对外露非带电金属部分或外壳之间,用开路电压为500V的兆欧表测量其绝缘电阻不 小于300MΩ。
9 介质强度 继电器各带电端子连在一起,对外露飞带电端子或外壳之间能承受有效值为2000V,50Hz的交流电压,历时1分钟 而不击穿,不出现闪络现象。
10 抗干扰性能 继电器的抗干扰负荷DL478-92《静态继电保护及安全自动装置通用技术条件》 。
公司介绍:上海上继科技有限公司是一家专业从事电力系统继电保护及智能电网电力自动化产品的研发、设计、生产、销售和服务为一体的高科技公司。拥有资深继电保护专家团队和国内**的检测仪器及校验设备。同时还引用国内外先进技术,来进行技术创新。本公司的产品广泛用于电力、工矿、铁路、建筑等国家重大工程输配变电系统上,产品远销东南亚及中东地区。产品通过国家继电保护及自动化设备质量监督检验中心检测,获得ISO-9001:2000国际质量体系认证。“科技创新,诚信务实”是公司的经营理念,本公司以高超的技术支持和对用户高度负责的售后服务赢得了输配电成套企业的信赖,且树立了良好的信誉。
上海上继科技有限公司(专注电力保护继电器生产厂家)销售热线:021-57233089 QQ:1932551438
{以上内容仅供参考,上海上继科技有限公司有最终解释权}
更多继电器精彩文章——JL-D/12电流继电器参数及开孔尺寸