JL-B/12电流继电器参数及开孔尺寸-上海上继科技有限公司
发布时间:2019-08-07
一、JL-B/12电流继电器的介绍
电流继电器是一种电子控制器件,它具有控制系统(又称输入回路)和被控制系统(又称输出回路),通常应用于自动控制电路中,它实际上是用较小的电流去控制较大电流的一种“自动开关”。故在电路中起着自动调节、安全保护、转换电路等作用。
二、JL-B/12电流继电器的工作条件
1 环境温度:-10℃~+50℃
2 相对湿度:≤90%
3 大气压力:80Kpa~110Kpa
4 安装位置:任意
5 周围环境:继电器不受太阳直射,不受雨水冲洗,空气中不含导致金属腐蚀或绝缘损坏的气体或尘露,继电器在工作时,不允 许振动,搬运过程不允许撞击。
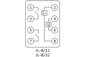
三、JL-B/12电流继电器的接线图

四、JL-B/12电流继电器的参数
1 整定范围 0.02~9.99A,级差为0.001A 2-99.9A,级差0.1A
其它值可按用户要求定制
2 动作时间 1.2倍整定电流,动作时间不大于25mS。
2倍整定电流,动作时间不大于20mS。
3 返回系数 过电流继电器:0.9~0.97;欠电流继电器:1.05~1.15。
4 整定误差 小于2%。
5 功耗 继电器动作,功耗小于5W,继电器不动作,功耗小于4W。
6 触点容量 在电压不大于250V时,触点连续接通电流为5A;
在电压不大于250V时,电路时间常数L/R为5mS的直流电路中,可断开30W。
在电压不大于250V时,功率因数COSΦ为0.4的交流电路中,可分断200VA。
7 触点寿命 电寿命:105次, 机械寿命:106次。
8 绝缘电阻 继电器各导电端子连在一起,对外露非带电金属部分或外壳之间,用开路电压为500V的兆欧表测量其绝缘电阻不 小于300MΩ。
9 介质强度 继电器各带电端子连在一起,对外露飞带电端子或外壳之间能承受有效值为2000V,50Hz的交流电压,历时1分钟 而不击穿,不出现闪络现象。
10 抗干扰性能 继电器的抗干扰负荷DL478-92《静态继电保护及安全自动装置通用技术条件》 。
五、JL-B/12电流继电器的开孔尺寸

公司介绍:上海上继科技有限公司是一家专业从事电力系统继电保护及智能电网电力自动化产品的研发、设计、生产、销售和服务为一体的高科技公司。拥有资深继电保护专家团队和国内**的检测仪器及校验设备。同时还引用国内外先进技术,来进行技术创新。本公司的产品广泛用于电力、工矿、铁路、建筑等国家重大工程输配变电系统上,产品远销东南亚及中东地区。产品通过国家继电保护及自动化设备质量监督检验中心检测,获得ISO-9001:2000国际质量体系认证。“科技创新,诚信务实”是公司的经营理念,本公司以高超的技术支持和对用户高度负责的售后服务赢得了输配电成套企业的信赖,且树立了良好的信誉。
上海上继科技有限公司(专注电力保护继电器生产厂家)销售热线:021-57233089 QQ:1932551438
{以上内容仅供参考,上海上继科技有限公司有最终解释权}
更多继电器精彩文章——JL-D/21-4电流继电器参数及开孔尺寸