JL-B/13电流继电器接线图及开孔尺寸-上海上继科技有限公司
发布时间:2019-08-07
一、JL-B/13电流继电器的简介
电流继电器是电力系统继电保护中最常用的元件。电流继电器具有接线简单、动作迅速可靠、维护方便、使用寿命长等优点,作为保护元件广泛应用于电动机、变压器和输电线路的过载和短路的继电保护线路中。电流继电器的检测对象是电路或主要电器部件电流的变化情况,当电流超过(或低于)某一整定值时,继电器动作,完成继电器控制及保护作用。
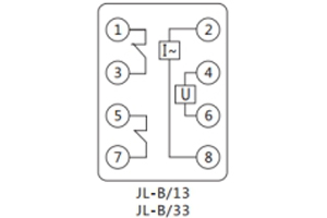
二、JL-B/13电流继电器的接线图

三、JL-B/13电流继电器的整定误差
a、在整定值范围内,整定平均误差的绝对值不大于3%;平均误差=(5次测量平均值-整定值)/整定值×100%。
b、在标准条件下,同一整定值上测量的5次动作值的**值和最小值应不大于4%。
c、在-10℃50℃的温度下,任一整定点误差的绝对值应不大于整定值的5%。
d、在辅助电压80~110%变化范围内,任一整定值整定误差的绝对值应不大于4%。
四、JL-B/13电流继电器的使用维护
1.继电器使用前,需取去外壳,拔出机器,检查有无在运输中产生的损坏,如动片碰到磁板,游丝各圈相碰,动牌轴上的摩擦等,为此,将继电器的指针整定在第一整定点上,用手将可动系统往磁板方向转动,然后放开,可动系统应当转回到原来位置直到止档,然后进行必要的调整和整定。
2.继电器在重新调整时,必须保证:
2.1可动系统的轴向活动量在0.15~0.3mm之间。
2.2动片与磁极间的气隙,应当保证继电器在规定的任何工作情况下,动片和磁板不得相碰。
2.3具有动合触点和动断触点的继电器,桥形触点不得同时接触一动合静触点和一动断静触点。
2.4当指针由第一刻度值旋向最终刻度值时,游丝各圈不相碰。
2.5 继电器动作时,桥形触点应当在静触点的中心线上滑动(公差±lmm),动、静触点总气隙不小于2mm。
2.6 静触点和限制片之间的距离应不大于0.3mm。
2.7 在调整继电器的动作值时,最小整定值的调整主要是改变游丝反作用力的大小,**整定值的调整,主要是改变动片和磁板间的气隙等。
2.8 不宜润滑继电器轴和轴承。
2.9 不允许用砂纸或其它粗造材料清洁触点,宜用锋利的刀刃或清洁的细磨石清洁触点,然后用清洁的、柔软的布片擦干净,避免用手指接触触点。
五、JL-B/13电流继电器的开孔尺寸

公司介绍:上海上继科技有限公司是一家专业从事电力系统继电保护及智能电网电力自动化产品的研发、设计、生产、销售和服务为一体的高科技公司。拥有资深继电保护专家团队和国内**的检测仪器及校验设备。同时还引用国内外先进技术,来进行技术创新。本公司的产品广泛用于电力、工矿、铁路、建筑等国家重大工程输配变电系统上,产品远销东南亚及中东地区。产品通过国家继电保护及自动化设备质量监督检验中心检测,获得ISO-9001:2000国际质量体系认证。“科技创新,诚信务实”是公司的经营理念,本公司以高超的技术支持和对用户高度负责的售后服务赢得了输配电成套企业的信赖,且树立了良好的信誉。
上海上继科技有限公司(专注电力保护继电器生产厂家)销售热线:021-57233089 QQ:1932551438
{以上内容仅供参考,上海上继科技有限公司有最终解释权}
更多继电器精彩文章——JL-D/22-4电流继电器安装尺寸及技术数据