DZ-31BG中间继电器参数及开孔尺寸-上海上继科技有限公司
发布时间:2019-08-26
一、DZ-31BG中间继电器的简介
中间继电器在继电保护中和自动控制系统中是一个多用的自动远动电器。中间继电器因为有良好的电隔离.至使控制方和被控方无电器上的连接,而达到安全控制目的。
二、DZ-31BG中间继电器的接线图

三、DZ-31BG中间继电器的参数
·额定电压:DC 220V、110V、48V、24V、12V。
·动作值:额定电压值30~70%,,·返回值:不小于额定值的5%。
·动作时间:在额定电压下,动作时间不大于45ms。
·返回时间:不大于60ms.
·功率消耗:不大于7W。
·触点容量:在电压不超过250V,电流不超过5A,时间常数为5±0.75ms的直流有感负荷电路中,产品输出触点的断开容量为50W。输出触点在上述规定的负荷条件下,产品能可靠动作及返回5x104次。输出触点长期允许接通电流为5A。
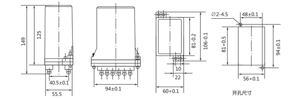
四、DZ-31BG中间继电器的开孔尺寸

五、DZ-31BG中间继电器的结构
⒈线圈装在"U"形导磁体上,导磁体上面有一个活动的衔铁,导磁体两侧装有两排触点弹片。在非动作状态下触点弹片将衔铁向上托起,使衔铁与导磁体之间保持一定间隙。当气隙间的电磁力矩超过反作用力矩时,衔铁被吸向导磁体,同时衔铁压动触点弹片,使常闭触点断开常开触点闭合,完成继电器工作。当电磁力矩减小到一定值时,由于触点弹片的反作用力矩,而使触点与衔铁返回到初始位置,准备下次工作。
⒉本继电器的"U"形导磁体采用双铁心结构,即在两个边柱上均可装设线圈。对于DZY、DZL和DZJ型只装一个线圈,而对于DZB,DZS,DZK型可根据需要在另一个铁心上装以保持线圈或延时用阻尼片等。从而使线圈类型大不相同的继电器都通用一个导磁体。
3.中间继电器原理和交流接触器一样,都是由固定铁芯、动铁芯、弹簧、动触点、静触点、线圈、接线端子和外壳组成。
公司介绍:上海上继科技有限公司是一家专业从事电力系统继电保护及智能电网电力自动化产品的研发、设计、生产、销售和服务为一体的高科技公司。拥有资深继电保护专家团队和国内**的检测仪器及校验设备。同时还引用国内外先进技术,来进行技术创新。本公司的产品广泛用于电力、工矿、铁路、建筑等国家重大工程输配变电系统上,产品远销东南亚及中东地区。产品通过国家继电保护及自动化设备质量监督检验中心检测,获得ISO-9001:2000国际质量体系认证。“科技创新,诚信务实”是公司的经营理念,本公司以高超的技术支持和对用户高度负责的售后服务赢得了输配电成套企业的信赖,且树立了良好的信誉。
上海上继科技有限公司(专注电力保护继电器生产厂家)销售热线:021-57233089 QQ:1932551438
{以上内容仅供参考,上海上继科技有限公司有最终解释权}
更多继电器精彩文章——DZB-13BG中间继电器安装尺寸及技术数据