DZ-32B中间继电器接线图及开孔尺寸-上海上继科技有限公司
发布时间:2019-08-26
一、DZ-32B中间继电器的概述
用于继电保护与自动控制系统中,以增加触点的数量及容量。 它用于在控制电路中传递中间信号。中间继电器的结构和原理与交流接触器基本相同,与接触器的主要区别在于:接触器的主触头可以通过大电流,而中间继电器的触头只能通过小电流。所以,它只能用于控制电路中。 它一般是没有主触点的,因为过载能力比较小。所以它用的全部都是辅助触头,数量比较多。新国标对中间继电器的定义是K,老国标是KA。一般是直流电源供电。少数使用交流供电。
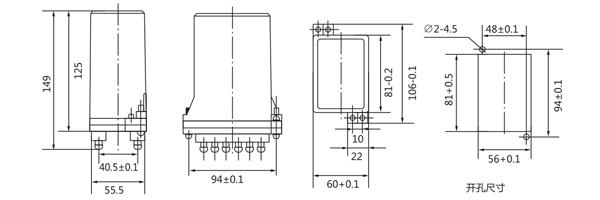
二、DZ-32B中间继电器的接线图

三、DZ-32B中间继电器的开孔尺寸

四、DZ-32B中间继电器的特点
⒈静态中间继电器采用线圈电压较低的多个优质密封小型继电器组合而成,防潮、防尘、不断线,可靠性高,克服了电磁型中间继电器导线过细易断线的缺点。
⒉功耗小,温升低,不需外附大功率电阻,可任意安装及接线方便。
⒊继电器触点容量大,工作寿命长。
⒋继电器动作后有发光管指示,便于现场观察。
⒌延时只需用面板上的拨码开关整定,延时精度高,延时范围可在0.02-5.00S任意整定。
五、DZ-32B中间继电器的触点性能
触点断开容量,交流:10A,250V AC;直流10A,28V DC。
触点**切换功率,交流:1800VA;直流:360W。
触点长期允许闭合电流:装置输出触点长期允许闭合电流为5A。
触点电气寿命:输出触点在上述规定的负荷条件下,产品能可靠动作及返回50000次。
公司介绍:上海上继科技有限公司是一家专业从事电力系统继电保护及智能电网电力自动化产品的研发、设计、生产、销售和服务为一体的高科技公司。拥有资深继电保护专家团队和国内**的检测仪器及校验设备。同时还引用国内外先进技术,来进行技术创新。本公司的产品广泛用于电力、工矿、铁路、建筑等国家重大工程输配变电系统上,产品远销东南亚及中东地区。产品通过国家继电保护及自动化设备质量监督检验中心检测,获得ISO-9001:2000国际质量体系认证。“科技创新,诚信务实”是公司的经营理念,本公司以高超的技术支持和对用户高度负责的售后服务赢得了输配电成套企业的信赖,且树立了良好的信誉
上海上继科技有限公司(专注电力保护继电器生产厂家)销售热线:021-57233089 QQ:1932551438
{以上内容仅供参考,上海上继科技有限公司有最终解释权}
更多继电器精彩文章——JZE-22中间继电器特点及开孔尺寸