DZ-32BG中间继电器技术数据及安装尺寸-上海上继科技有限公司
发布时间:2019-08-26
一、DZ-32BG中间继电器的应用范围
DZ-32BG中间继电器用于直流操作的各种保护和自动控制线路中,作为辅助继电器以增加触点数量和触点容量。
DZ-32BG是DZ-31B的改进型。该继电器克服了原来DZ-32B继电器采用的绕组线径为0.06-0.07漆包线。在长期运输中,出现的断线缺点,提高了可靠性。其余内部接线、外形尺寸、 接线端子、使用功能等不变。
二、DZ-32BG中间继电器的技术数据
·额定电压:DC 220V、110V、48V、24V、12V。
·动作值:额定电压值30~70%,,·返回值:不小于额定值的5%。
·动作时间:在额定电压下,动作时间不大于45ms。
·返回时间:不大于60ms.
·功率消耗:不大于7W。
·触点容量:在电压不超过250V,电流不超过5A,时间常数为5±0.75ms的直流有感负荷电路中,产品输出触点的断开容量为50W。输出触点在上述规定的负荷条件下,产品能可靠动作及返回5x104次。输出触点长期允许接通电流为5A。
三、DZ-32BG中间继电器的接线图

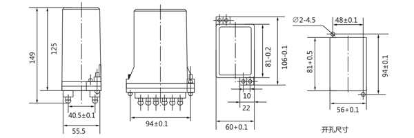
四、DZ-32BG中间继电器的安装尺寸

五、DZ-32BG中间继电器的特点
⒈静态中间继电器采用线圈电压较低的多个优质密封小型继电器组合而成,防潮、防尘、不断线,可靠性高,克服了电磁型中间继电器导线过细易断线的缺点。
⒉功耗小,温升低,不需外附大功率电阻,可任意安装及接线方便。
⒊继电器触点容量大,工作寿命长。
⒋继电器动作后有发光管指示,便于现场观察。
⒌延时只需用面板上的拨码开关整定,延时精度高,延时范围可在0.02-5.00S任意整定。
公司介绍:上海上继科技有限公司是一家专业从事电力系统继电保护及智能电网电力自动化产品的研发、设计、生产、销售和服务为一体的高科技公司。拥有资深继电保护专家团队和国内**的检测仪器及校验设备。同时还引用国内外先进技术,来进行技术创新。本公司的产品广泛用于电力、工矿、铁路、建筑等国家重大工程输配变电系统上,产品远销东南亚及中东地区。产品通过国家继电保护及自动化设备质量监督检验中心检测,获得ISO-9001:2000国际质量体系认证。“科技创新,诚信务实”是公司的经营理念,本公司以高超的技术支持和对用户高度负责的售后服务赢得了输配电成套企业的信赖,且树立了良好的信誉。
上海上继科技有限公司(专注电力保护继电器生产厂家)销售热线:021-57233089 QQ:1932551438
{以上内容仅供参考,上海上继科技有限公司有最终解释权}
更多继电器精彩文章——JZE-40中间继电器参数及接线图